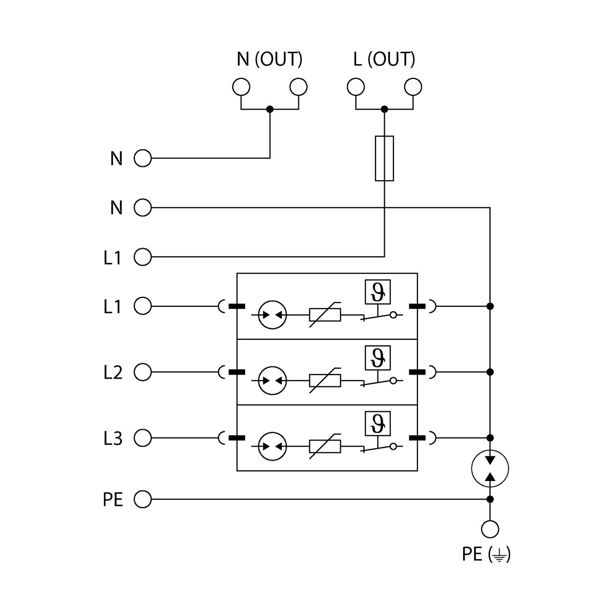
Überspannungsschutz (Kombi-Ableiter) mit Spannungsabgriff B6A
Der Überspannungsschutz ist ein leistungsstarkes kombiniertes Überspannungsschutzgerät (Typ T1 + T2 + T3), das speziell für den Einbau in Niederspannungsschaltanlagen an der Schnittstelle der Blitzschutzzonen LPZ 0–LPZ 1 ausgelegt ist. Er eignet sich ideal für den Schutz vor Überspannungen durch direkte und indirekte Blitzeinschläge, wodurch empfindliche Anlagenbereiche effektiv abgesichert werden.
Besonders hervorzuheben ist der integrierte Spannungsabgriff (B6A), der eine überstromgeschützte Spannungsversorgung ermöglicht. Insbesondere nützlich für Anwendungen wie das Abschlusspunkt-Zählerplatz (APZ) oder für Raum mit Messsystemen (RfZ). Dank der leckstromfreien Einbindung ist eine sichere Integration ohne zusätzliche Energierückführung in das Netzklemmsystem gewährleistet.
Das Modul ist für Montage auf 40 mm Sammelschienen konzipiert, bietet eine optische Fehleranzeige (rotes Feld) sowie die Möglichkeit zur Blockierung bei Modultausch oder Wartung. Mit seiner Schutzart IP 20, einem Nennspannung von 230 V AC und Normkonformität nach EN 61643-11 ist dieses Überspannungsschutzgerät eine äußerst zuverlässige Lösung für Wohn-, Industrie- und Verwaltungsbau.
Vorteile auf einen Blick
- Kombinierter Überspannungsschutz Typ T1 + T2 + T3
- Integrierter Spannungsabgriff B6A mit Überstromschutz
- Ideal für APZ- oder RfZ-Spannungsversorgungen
- Leckstromfreie Einbindung für sichere Integration
- Für Montage auf 40 mm Sammelschienen ausgelegt
- Optische Fehleranzeige und Blockierfunktion
- Robuste Schutzklasse IP 20, IEC-Norm EN 61643-11
Technische Daten kompakt
| SPD-Typ: |
T1 + T2 + T3 |
| Nennspannung (Un): |
230 V AC |
| Max. Betriebsspannung (Uc): |
255 V AC |
| Blitzstoßstrom (10/350 µs) L-N: |
7,50 kA |
| Blitzstoßstrom (10/350 µs) N-PE: |
50,00 kA |
| Schutzpegel (Up) L-N / N-PE / L-PE: |
1,50 kV |
| Kurzschlussstrom (SCCR): |
25 kA |
| Ansprechzeit: |
100 ns |
| Temperaturbereich: |
−40 °C bis +80 °C |
| Montage: |
40 mm Sammelschiene |
| Netzart: |
TT | TN-S |
Sie benötigen Unterstützung bei der Produktauswahl?
Wir beraten Sie kompetent – telefonisch oder über WhatsApp.
Auch komplexe oder nicht gelistete Zählerschränke sind kurzfristig lieferbar.
Ihr Meisterbetrieb für professionelle Elektrotechnik.